熱門關鍵詞:國產行星減速機代理商,國產行星減速機渠道,國產直齒行星減速機,國產斜齒行星減速機,直齒行星減速機,斜齒行星減速機

1.采用斜齒輪傳動,低噪音,精度高。 2.一體化外殼,更高精度,更高抗拉強度,更高抗扭強度。 3.采用高精度軸承,優化精選油封,增加傳動效率。......
0510-85167909
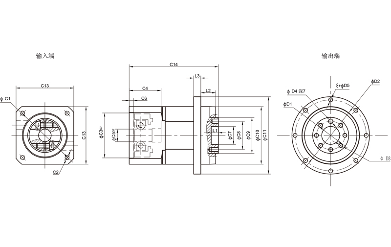
產品 · 簡介

TAD列性能參數表 / TAD Series Performance Table | ||||||||
規格 Specification | 單位 Unit | 節數Stage | 減速比Ratio | TAD064 | TAD090 | TAD110 | TAD140 | TAD200 |
額定輸出力矩/Rated output torqueT2N | 1 | 4 | 48 | 130 | 270 | 560 | 1100 | |
5 | 60 | 160 | 330 | 650 | 1200 | |||
6 | 50 | 140 | 300 | 550 | 1100 | |||
7 | 50 | 140 | 300 | 550 | 1100 | |||
8 | 40 | 100 | 230 | 450 | 900 | |||
10 | 40 | 100 | 230 | 450 | 900 | |||
2 | 20 | 48 | 130 | 270 | 560 | 1100 | ||
25 | 60 | 160 | 330 | 650 | 1200 | |||
35 | 50 | 140 | 300 | 550 | 1100 | |||
40 | 48 | 130 | 270 | 560 | 1000 | |||
50 | 60 | 160 | 330 | 650 | 1200 | |||
60 | 50 | 140 | 300 | 550 | 1100 | |||
70 | 50 | 140 | 300 | 550 | 1100 | |||
80 | 40 | 100 | 230 | 450 | 900 | |||
100 | 40 | 100 | 230 | 450 | 900 | |||
急停扭矩 / Emergency stop torqueT2NOT | Nm | 1,2 | 4-100 | 三倍額定輸出力矩 / Triple rated output torque | ||||
額定輸入轉速 / Rated input speed η1N | rpm | 1,2 | 4-100 | 5000 | 4000 | 4000 | 3000 | 3000 |
最大輸入轉速 / Maximum input speed η1B | 1,2 | 4-100 | 10000 | 8000 | 8000 | 6000 | 6000 | |
扭轉剛性 / Torsional rigidity | Nm/arcmin | 1,2 | 4-100 | 7 | 14 | 25 | 50 | 145 |
容許徑向力 / Allowable radial force F2aB | N | 1,2 | 4-100 | 1530 | 3250 | 6700 | 9400 | 14500 |
容許軸向力 / Allowable axial force F2aB | N | 1,2 | 4-100 | 765 | 1625 | 3350 | 4700 | 7250 |
使用壽命 / Lifespan | hr | 1,2 | 4-100 | 20000 | ||||
效率 / Efficiency | % | 1 | 4?10 | ≥97% | ||||
2 | 20 ~ 100 | ≥94% | ||||||
重量 / Weight | kg | 1 | 4~10 | 1.4 | 3.7 | 7.3 | 21 | 35 |
2 | 20 ?100 | 1.6 | 4.1 | 9 | 26 | 40 | ||
使用溫度 / Working temperature | °C | 1,2 | 4-100 | -10°C~90°C | ||||
潤滑 / Lubricating | 1,2 | 合成潤滑油脂 / Synthetic lubricating grease | ||||||
防護等級 / IP Grade | 1,2 | 4-100 | IP65 | |||||
安裝方向 / Installation direction | 1,2 | 4-100 | 任意方向 / In any direction | |||||
噪音值(n1=3000rpm,無負載) Noise level (η1=3000rpm,off load) | dB(A) | 1,2 | 4-100 | ≤58 | ≤60 | ≤63 | ≤65 | ≤65 |

