熱門關鍵詞:國產行星減速機代理商,國產行星減速機渠道,國產直齒行星減速機,國產斜齒行星減速機,直齒行星減速機,斜齒行星減速機

1.采用直齒齒輪傳動,經過滲碳淬火處理,齒向齒闊修行處理,表面噴砂鍍鎳,設備運行平穩,噪音小。2.結構簡單,交貨期快,可大批量生產。3.減速機種類齊全...
0510-85167909
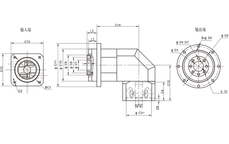
產品 · 簡介

TVDR列性能參數表 / TVDR Series Performance Table | |||||||
規格 Specification | 單位 Unit | 節數Stage | 減速比Ratio | TVDR60 | TVDR90 | TVDR120 | TVDR160 |
額定輸出力矩Rated output torqueT2N | Nm | 1 | 3 | 42 | 142 | 284 | 568 |
4 | 42 | 147 | 294 | 588 | |||
5 | 42 | 147 | 294 | 588 | |||
6 | 42 | 147 | 294 | 588 | |||
7 | 33 | 99 | 198 | 396 | |||
8 | 39 | 97 | 195 | 389 | |||
10 | 15 | 53 | 105 | 210 | |||
2 | 15 | 28 | 111 | 267 | 534 | ||
20 | 42 | 147 | 294 | 588 | |||
25 | 42 | 147 | 294 | 588 | |||
30 | 42 | 147 | 294 | 588 | |||
35 | 42 | 147 | 294 | 588 | |||
40 | 42 | 147 | 294 | 588 | |||
50 | 42 | 147 | 294 | 588 | |||
60 | 42 | 147 | 294 | 588 | |||
70 | 33 | 99 | 198 | 396 | |||
80 | 33 | 99 | 198 | 396 | |||
100 | 15 | 53 | 105 | 315 | |||
3 | 64 | 42 | 147 | 294 | 588 | ||
80 | 42 | 147 | 294 | 588 | |||
100 | 42 | 147 | 294 | 588 | |||
150 | 42 | 147 | 294 | 588 | |||
200 | 42 | 147 | 294 | 588 | |||
250 | 42 | 147 | 294 | 588 | |||
350 | 42 | 147 | 294 | 588 | |||
400 | 42 | 147 | 294 | 588 | |||
500 | 42 | 147 | 294 | 588 | |||
700 | 33 | 99 | 198 | 396 | |||
1000 | 15 | 53 | 100 | 299 | |||
急停扭矩 / Emergency stop torqueT2NOT | Nm | 1,2,3 | 3 ?1000 | 二倍額定輸出力矩 / Triple rated output torque | |||
額定輸入轉速 / Rated input speed η1N | rpm | 1,2,3 | 3-1000 | 5000 | 4000 | 4000 | 3000 |
最大輸入轉速 / Maximum input speed η1B | 1,2,3 | 3-1000 | 10000 | 8000 | 8000 | 6000 | |
扭轉剛性 / Torsional rigidity | Nm/arcmin | 1,2,3 | 3-100 | 7 | 14 | 25 | 50 |
容許徑向力 / Allowable radial force F2aB | N | 1,2,3 | 3-1000 | 1530 | 3250 | 6700 | 9400 |
容許軸向力 / Allowable axial force F2aB | N | 1,2,3 | 3-1000 | 765 | 1625 | 3350 | 4700 |
使用壽命 / Lifespan | hr | 1,2,3 | 3-1000 | 20000 | |||
效率 / Efficiency | % | 1 | 3?100 | ≥97% | |||
2,3 | 15 ~ 1000 | ≥94% | |||||
重量 / Weight | kg | 1 | 3~10 | 2.4 | 4.5 | 12 | 28 |
2 | 15 ?100 | 2.6 | 5 | 14 | 33 | ||
3 | 64-1000 | 2.8 | 6.5 | 18 | 38 | ||
使用溫度 / Working temperature | °C | 1,2,3 | 3-1000 | -10°C~90°C | |||
潤滑 / Lubricating | 1,2,3 | 合成潤滑油脂 / Synthetic lubricating grease | |||||
防護等級 / IP Grade | 1,2,3 | 3-1000 | IP65 | ||||
安裝方向 / Installation direction | 1,2,3 | 3-1000 | 任意方向 / In any direction | ||||
噪音值(n1=3000rpm,無負載) Noise level (η1=3000rpm,off load) | dB(A) | 1,2,3 | 3 ?100 | ≤58 | ≤60 | ≤63 | ≤65 |

